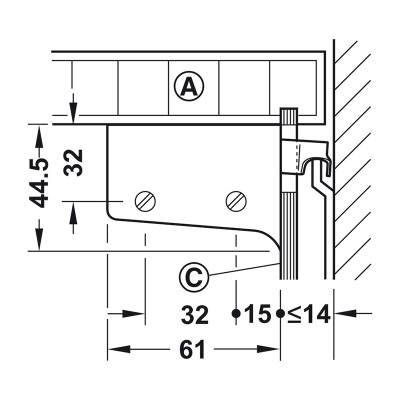
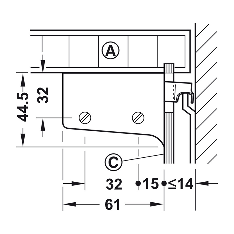
✨Phụ kiện treo tủ, tủ treo tường, khả năng chịu tải 150 kg/cặp, bắt vít Hafele - 290.00.740
Mua tại Shopee
Mua tại Tiki
Mua tại Lazada
Mua tại Tiktok- Tuốc nơ vít có thể nghiêng ± 15 ° cho phép điều chỉnh vít thoải mái.
- Lắp đặt: Bắt vít
- Gắn lắp
- Màu sắc/lớp hoàn thiện: Màu trắng
- Phiên bản của sản phẩm: Có thể nhìn thấy bên trong tủ
- Lĩnh vực ứng dụng: Cho bộ gắn tường
- Khả năng chịu tải ổ bi trên mỗi cặp: 150 kg
- Vật liệu: Nhựa
- Thông số lắp đặt tham khảo: Bas treo tủ phải được lắp vào phía trên cùng (1/3 của cánh tủ) vì lý do an toàn.
- Tham chiếu đơn hàng
- Vít Hospa Ø 4,5 không được cung cấp. Vui lòng đặt hàng riêng.
- Để sử dụng với bas gắn tường 29019900/29008920/921 hoặc thanh ray 29010900 có đặt hàng riêng
Mua tại Shopee
Mua tại Tiki
Mua tại Lazada
Mua tại TiktokMáy phát hiện thiết bị không dây, tín hiệu không dây K68 là mẫu thiết kế mới với chất lượng và khả năng phát hiện nhạy hơn nhiều, chính xác hơn nhiều so với các
Thông Tin Chi Tiết: Lực đóng cửa: EN2-4 Độ rộng cửa: 750-1100mm Khối lượng cửa: 80kg Để kích hoạt chức năng giữ cửa 90º, cửa phải được mở góc 100º. Chất liệu: Thân hợp kim
Máy Dò WT16 - "Siêu Đặc Vụ" Bảo Vệ Bí Mật Cho Bạn! Bạn có đang lo lắng về những "con mắt" vô hình theo dõi mọi hành động của mình? Bạn có muốn "bắt quả
G318 RF Detector - "Trang Bị Bí Mật" Chống Theo Dõi, Nghe Trộm Cho Kỷ Nguyên Số Bạn là doanh nhân tài ba sở hữu bí mật thương mại kinh điển? Bạn là nghệ sĩ
WT16 - "Trang Bị Tối Thượng" Cho Kỷ Nguyên Số Trong thế giới công nghệ bùng nổ, đâu đâu cũng ẩn chứa những nguy cơ tiềm ẩn, những "con mắt" và "đôi tai" vô hình
* THÔNG TIN SẢN PHẨM - Model : SPV-688W-L - Điện áp định mức: 230V - Tần số: 50Hz/60Hz - Kích thước sản phẩm: 85*35*66mm - Trọng lượng : 178g - Chức năng: + Bảo
Cảm biến khói báo cháy thông minh Rạng Đông CB11.SM.WF kết nối wifi không dây điều khiển từ xa qua app Thương hiệu Rạng Đông uy tín tin cậy được khẳng định bởi người tiêu
1. Công dụng & ứng dụng chính - Thiết kế đặc biệt để xử lý các đám cháy trong khu vực bếp – đặc biệt là đám cháy do dầu mỡ, chất lỏng, thiết bị
Giới thiệu sản phẩm - Mã sản phẩm : K50-88036 & K50-88037 - Thương hiệu : DoBo Korea - Miêu tả : Bộ công tắc thẻ từ tần số thấp 40A (125KHz) và tần số
Bóng chữa cháy - 1.3Kg Bóng chữa cháy có thể sử dụng rộng rãi: Nhà ở, xe hơi, kho hàng, xưởng sản xuất, quán karaoke, cafe, bệnh viện, trường họ Phạm vi dập lửa nhanh
Sản phẩm đúng như hình ở trên kèm theo 3 vít ạ bắt vào cửa. ĐẾ CAO SU MỀM Chặn cửa chống gió lùa sập cửa Chặn cửa 2 chiều Chống trẻ con đẩy cửa
GIÁ TREO BÌNH CHỮA CHÁY BẰNG SẮT – KIỂU TREO TƯỜNG 1. Mô tả sản phẩm: - Tên sản phẩm: Giá treo bình chữa cháy bằng sắt (kiểu treo tường) - Chất liệu: Thép sơn
Cuộn xốp dán chân bàn ghế đa năng là giải pháp tiện ích giúp bảo vệ sàn nhà chống xước, giảm tiếng ồn và chống trượt hiệu quả. Sản phẩm có thiết kế dạng cuộn
1. THÔNG TIN SẢN PHẨM - Kích Thước: 6 x 4.4 x 4.4cm. - Trọng Lượng: 50g. - Chất Liệu: hợp kim nhôm, không rỉ sét và bền bỉ. - Đối Tượng Sử Dụng: cửa
Tay Đẩy Cửa Tự Động Dành Cho Cửa Gỗ, Nhôm Ứng Dụng: cửa gỗ, nhôm, sắt rỗng cho nhà,khách sạn,văn phòng, Chất liệu: thép không gỉ Đóng mở cửa linh hoạt, tự động, dụng cụ
Thiết bị bộ điều khiển trung tâm phiên bản mới của Lumi ra mắt hồi tháng 11/2020 được bổ sung thêm phần cứng là module Bluetooth Mesh (đồng thời vẫn giữ nguyên những tính năng
- Kết nối không dây: Zigbee/ Bluetooth - Phát hiện chuyển động. - Đo cường độ ánh sáng của môi trường xung quanh. - Đo mức nhiệt độ, độ ẩm của môi trường xung quanh.
THÔNG SỐ KỶ THUẬT CPU Quad-core ARM [email protected] RAM 512MB Bộ nhớ trong Flash 4GB Tích hợp 4G LTE Simcom A7672S + Nano Sim Cổng LAN 1Gbps Điện áp 9-24 VDC Nguồn cấp 12V
Bản lề kính tường - Nhãn hiệu: Glaze - Kiểu bản lề: Liên kết kính với tường góc 90° - Bảo hành: 12 tháng Mã sản phẩm: - 2212.0201.30 – inox 304 bóng Mô tả
HỘP ĐỰNG TIỀN MINI DỄ DÀNG MANG THEO BÊN NGƯỜI Hộp chữ nhật đựng tiền và đồ vật nhỏ có giá trị vô cùng tiện lợi. Hộp đựng có nhiều ngăn: ngăn tiền mặt, ngăn
- #chuongbaodong #thietbichongtrom #chongtrom #baodong #gancua #thietbibaodong #nhua #canhbao #9v - Nếu nhà bạn ở khu vực an ninh không tốt, thay vì hàng tối trước khi đi ngủ bạn chặn cửa bằng ghế, gỗ…
- Phát hiện trạng thái đóng/ mở cửa - Đo nhiệt độ, độ ẩm, cường độ sáng tại điểm gắn - Kết hợp với các thiết bị điện thông minh để tạo ngữ cảnh phù
2. Thông số kỹ thuật sản phẩm cảm biến khói Tiêu chí Thông số kỹ thuật Điện áp hoạt động 3V DC (Pin Lithium CR17335/CR123A) Tuổi thọ pin 3-5 năm Âm lượng cảnh báo >85
Hố Chặn Cát KUNBE Hố Chốt Âm Lò Xo Inox Chống Cát Bụi 1. THÔNG
Chặn Cửa Chống Sập Cửa Gắn Tường KUNBE Nhiều Kích Thước Chống Va Đập Hiệu Quả 1. THÔNG TIN SẢN PHẨM - Chất Liệu: Thép Không
1. THÔNG TIN SẢN PHẨM - Chất Liệu: Thép Không Gỉ + Đệm Cao Su - Kích Thước: Xem Chi Tiết Trên Ảnh - Màu Sắc: Bạc,... 2. ĐẶC ĐIỂM SẢN PHẨM - Chặn cửa
Bạn có bao giờ tò mò về thế giới bí ẩn bên trong cơ thể mình? Muốn tận mắt nhìn ngắm những ngóc ngách sâu thẳm của tai, mũi, họng mà không cần đến gặp
Bạn có muốn du ngoạn vào thế giới bí ẩn bên trong cơ thể, khám phá những ngóc ngách mà mắt thường không thể nhìn thấy? Hãy biến điều ước viễn tưởng thành hiện thực
Chặn cửa chân móng ngựa có lẫy gạt chống va đập Hobby Home Decor CMG1 Thông tin kỹ thuật - Chất liệu: hợp kim kẽm - khó rỉ sét - Đi kèm đinh ốc và
Chặn Cửa Bán Nguyệt, Chặn Cửa Thông Minh, Chặn Cửa Phòng, Chặn Cửa Không Khoan, Chặn Cửa Nam Châm Gắn Sàn Giúp Hạn Chế Va Đập Cho Cánh Cửa, An Toàn Cho Trẻ Nhỏ. Sản
- Aqara Hub phiên bản mới ZHWG12LM - Hub trung tâm kết nối các thiết bị Aqara, hỗ trợ điều khiển từ xa, tạo tự động hoá - Hỗ trợ lên tới 128 thiết bị
Chặn Cửa Bán Nguyệt, Chặn Cửa Nam Châm, Chặn Cửa Thông Minh, Chặn Cửa Gắn Sàn Sử Dụng Miếng Dán 3M Chắc Chắn, Không Cần Khoan Đục, An Toàn Cho Em Bé. - Sản phẩm
Nếu nhà bạn đang gặp các vấn đề về việc hơi máy lạnh thoát ra ngoài, gió lạnh lùa vào nhà, bụi bay vào nhà, tiếng ồn bên ngoài, nhà có em bé, thì Miếng
Khóa Tủ Đa Năng, An Toàn Cho Bé, Tiện Lợi Cho Mẹ - Khóa Chốt Theo Phong Cách Hiện Đại, Sản Phẩm Tiện Ích. TakyHome *Bé khi tập đi thường rất hay tò mò tìm
* Chặn Cửa Gắn Sàn, Chặn Cửa Bán Nguyệt Nhiều Màu, Taky Home Chống Va Đập Cánh Cửa, An Toàn, Giá Tốt, Siêu Bền. * Chặn cửa gắn sàn giúp hạn chế va đập khi
* Chặn Cửa Bán Nguyệt Inox, Chặn Cửa Chống Va Đập Cánh Cửa, Chặn Cửa Đa Năng Siêu Bền, Không Cần Khoan Đục, TakyHome * Chặn Cửa Gắn Sàn giúp hạn chế va
* Chặn Cửa An Toàn Dán Tường Phòng Tắm Sử Dụng Miếng 3M Siêu Chắc, Chặn Cửa Đa Năng, Chặn Cửa Phòng, Chống Va Đập Cửa Với Tường, Khi Mặt Sàn Nhiều Nước. TakyHome *
* Chặn Cửa Bán Nguyệt Có Nam Châm, Chặn Cửa An Toàn, Siêu Chắc Chắn, Chặn Cửa Inox Không Khoan. TakyHome * Chặn Cửa Hít Nam Châm gắn sàn giúp hạn chế va đập khi
10 Nút Đệm Trong Suốt Silicone Tự Dán, Tiện Dụng Giúp Chống Va Đập Cánh Cửa, Đồ Đạc Trong Gia Đình Có tác dụng dán đa năng trong nhà, để giảm va chạm, giảm tiếng
Giới Thiệu Sản Phẩm Thiết Bị Chống Trộm Và Báo Khách CT01 Trong thời đại công nghệ hiện nay, cuộc sống đã trở nên tiện lợi hơn bao giờ hết với sự phát triển của
Super Scanner S699 - "Vị Kỵ Sĩ" Bảo Vệ Bí Mật Cho Kỷ Nguyên Số Bạn có bao giờ nghi ngờ rằng những bí mật của mình bị lộ ra ngoài? Hay bạn lo lắng
Super Scanner MD3003B1 "Siêu thính" dò kim loại, bảo vệ an ninh toàn diện! Bạn đang tìm kiếm một máy dò kim loại cầm tay nhỏ gọn, tiện lợi, hoạt động hiệu quả để đảm
Chốt cửa an toàn Hafele - 489.15.001 là phụ kiện nhà ở được sản xuất theo công nghệ tiên tiến của Đức, ưu việt, phù hợp với đa dạng không gian sống. Sản phẩm được
Máy tuần tra bảo vệ GS-6100CL thiết kế chắc chắn, có khả năng chống nước, chống va đập, dung lượng lưu trữ lớn, kết nốt với máy tính bằng cổng USB siêu bền. Phần mềm
MÔ TẢ SẢN PHẨM Coisicin là một chế phẩm thường được sử dụng trong chọn giống thực vật để gây đột biến nhân tạo. Coisicin tạo ra tế bào đa bội hoặc thể đa
Chốt Trượt An Toàn Cửa, Chốt An Toàn Cho Cửa Nhà, Cửa Phòng, Đề Phòng Đột Nhập, Đẩy Cửa Vào Khi Mở Cửa. TakyHome Bạn đã bao giờ rơi vào trường hợp, khi nghe tiếng
Dây Xích Chốt An Toàn, Hạn Chế Mở Cửa, Đảm Bảo An Toàn, Chắc Chắn, Bảo Vệ Người Trong Gia Đình và Trẻ Nhỏ. TakyHome Bạn đã bao giờ rơi vào trường hợp, khi nghe
Đặc điểm nổi bật: do sản phẩm được làm bằng xốp đặc và vải EPE nên dễ dàng cắt ghép lại với nhau (như video hướng dẫn) Chất liệu: Xốp đặc + vải EPE phủ
Chốt Cài Cửa KUNBE Bằng Thép Không Gỉ Dày Dặn Chống Phá Khóa Từ Bên Ngoài Tại các khu chung cư, đặc biệt nhiều nơi an ninh kém, có nhiều thành phần ở bên ngoài
- Khoảng cách từ cạnh cửa đến tâm lỗ ruột khoá: 60/70 mm - Vật liệu: Hợp kim kẽm - Màu sắc: Niken mờ - Loại cửa: Cửa gỗ và cửa sắt - Độ dày
HỘP ĐỰNG TIỀN KHÓA MẬT KHẨU - MÀU ĐEN - SIZE L Hộp chữ nhật đựng tiền và đồ vật nhỏ có giá trị vô cùng tiện lợi. Hộp đựng có nhiều ngăn: ngăn tiền
PHỤ KIỆN CỬA TRƯỢT LÙA - Mã sản phẩm: SL-2410-W2 - Nhãn hiệu: GLAZE - Bảo hành: 12 tháng Tính năng chung: - Hệ thống cửa trượt treo mở/đóng bằng tay, không cần nguồn điện.
BÌNH CẦU CHỮA CHÁY TỰ ĐỘNG TOMOKEN 8KG Bình cầu chữa cháy tự động Tomoken 6kg là loại bình được sản xuất bởi công nghệ Nhật Bản. Sản phẩm được kiểm soát nghiêm ngặt về
MÃ HÀNG:HD1081 NGUỒN ĐIỆN: DC 24V / 10mA ĐIỀU KIỆN MÔI TRƯỜNG: -10°C ĐẾN 50°C, 95% RH KÍCH THƯỚC/KHỐI LƯỢNG: Ø103mm x D47mm (GỒM ĐẾ) / 84g NHIỆT ĐỘ HOẠT ĐỘNG: TỐC ĐỘ TĂNG NHIỆT ~10°C/PHÚT ĐÈN CHỈ THỊ HOẠT ĐỘNG: ĐÈN LED MÀU ĐỎ TIÊU CHUẨN SỬ DỤNG: TỐI ĐA 50EA / 1 ZONE CHIỀU CAO LẮP ĐẶT: DƯỚI 8m PHẠM VI DÒ: DƯỚI 4m: 70m2 / TRÊN 4m - DƯỚI 8m: 35m2 NƠI ÁP DỤNG: VĂN PHÒNG, TẦNG HẦM, BẾN TÀU, NHÀ KHO, NHÀ THỜ, NHÀ HÀNG, TRƯỜNG HỌC, TIỆM TẠP HÓA, PHÒNG THỂ THAO, … #himax #pccc #baochay #hanquoc #vietnam #kiemdinh #hethongpccc #himaxvietnam #hethongbaochay #antoanchongno #baochayhimax #korea #thietbibaochay #baochaytudong #antoanchayno #HD1081 #daubaodiachi #daubaonhietdiachi #daubaochaydiachir #hethongbaochaydiachi #pccc #antoanchayno
MÃ HÀNG: HD1003 NGUỒN ĐIỆN: DC 24V / 10mA ĐIỀU KIỆN MÔI TRƯỜNG: -10°C ĐẾN 50°C, 95% RH KÍCH THƯỚC/KHỐI LƯỢNG: Ø103mm x D47mm (GỒM ĐẾ) / 119g ĐÈN CHỈ THỊ HOẠT ĐỘNG: ĐÈN LED MÀU ĐỎ TIÊU CHUẨN SỬ DỤNG: TỐI ĐA 25EA / 1 ZONE PHẠM VI DÒ: DƯỚI 4m: 150m2 / TRÊN 4m - DƯỚI 15m: 70m2 NƠI ÁP DỤNG:VĂN PHÒNG, TẦNG HẦM, BẾN TÀU, NHÀ KHO, NHÀ THỜ, NHÀ HÀNG, TIỆM TẠP HÓA, KHÁCH SẠN, PHÒNG MÁY TÍNH, PHÒNG HỌP, PHÒNG KARAOKE, … #himax #pccc #baochay #hanquoc #vietnam #kiemdinh #hethongpccc #himaxvietnam #hethongbaochay #antoanchongno #baochayhimax #korea #thietbibaochay #baochaytudong #antoanchayno #HD1003 #daubaokhoi #daubaokhoiquangdien #daudokhoi #daubaochay
MÃ HÀNG: HD1014 NGUỒN ĐIỆN: DC 24V / 3mA ĐIỀU KIỆN MÔI TRƯỜNG: -10°C ĐẾN 50°C, 90% RH KÍCH THƯỚC/KHỐI LƯỢNG: Ø110mm x D40mm / 90g LOẠI : ĐỊA CHỈ CHỈ DẪN HOẠT ĐỘNG: ĐÈN LED MÀU ĐỎ TIÊU CHUẨN SỬ DỤNG: 150EA / LOOP NHIỆT ĐỘ PHÁT HIỆN CHÁY: 40°C ~ 80°C (CÓ THỂ CÀI ĐẶT NHIỆT ĐỘ PHÁT HIỆN CHÁY) NƠI ÁP DỤNG: VĂN PHÒNG, TẦNG HẦM, NHÀ KHO, NHÀ THỜ, NHÀ HÀNG, TIỆM TẠP HÓA, KHÁCH SẠN, PHÒNG MÁY TÍNH, PHÒNG HỌP, PHÒNG KARAOKE, … #himax #pccc #baochay #hanquoc #vietnam #kiemdinh #hethongpccc #himaxvietnam #hethongbaochay #antoanchongno #baochayhimax #korea #thietbibaochay #baochaytudong #antoanchayno #HD1014 #daubaodiachi #daubaonhietdiachi #daubaochaydiachir #hethongbaochaydiachi #antoanchayno #daubaonhiet
MÃ HÀNG: HM4001 NGUỒN ĐIỆN: DC 24V / 100mA ĐIỀU KIỆN MÔI TRƯỜNG: -10°C ĐẾN 50°C, 95% RH KÍCH THƯỚC/KHỐI LƯỢNG: W160mm x H170mm x D60mm (BAO GỒM CẢ HỘP)/550g CẤU TẠO: ĐÈN NGUỒN, ĐÈN ĐÓNG CỔNG VAN, ĐÈN MỞ VAN, CÔNG TẮC KÍCH HOẠT VAN, GIẮC ĐIỆN THOẠI MÀU SẮC: XÁM CHIỀU CAO LẮP ĐẶT: 0.8m ~ 1.5m NƠI ÁP DỤNG: VĂN PHÒNG, TẦNG HẦM, BẾN TÀU, NHÀ KHO, NHÀ THỜ, NHÀ HÀNG, TIỆM TẠP HÓA, KHÁCH SẠN, PHÒNG MÁY TÍNH, PHÒNG HỌP, PHÒNG KARAOKE, … #himax #pccc #baochay #hanquoc #vietnam #kiemdinh #hethongpccc #himaxvietnam #hethongbaochay #antoanchongno #baochayhimax #korea #thietbibaochay #baochaytudong #antoanchayno #HM4001 #nutanxanuoc #nutansprinkler #sprinkler #xanuocsprinkler #xanuocchuachay #hethongchuachay #tramxanuoc
MÃ HÀNG: KOREA LOẠI: ĐÈN LED NGUỒN ĐIỆN: AC 220V, 50/60Hz PIN DỰ PHÒNG: 400 mAh x 3.6V (Ni-Cd) KÍCH THƯỚC/KHỐI LƯỢNG: W260mm x H217mm x D55mm / 592g ĐẦU VÀO HIỆN TẠI: 22mA THỜI GIAN CHIẾU SÁNG KHI MẤT ĐIỆN: 120 PHÚT CÔNG SUẤT TIÊU THỤ: 2W #himax #pccc #baochay #hanquoc #vietnam #kiemdinh #hethongpccc #himaxvietnam #hethongbaochay #antoanchongno #baochayhimax #korea #thietbibaochay #baochaytudong #antoanchayno #KOREA #chieusangkhancap #denchieusangkhancap #denthoathiem #denmatech #denkhancap #denpin #PCCC #antoanchayno #himax
MÃ HÀNG: HIS604 NGUỒN ĐIỆN: ĐIỆN DC 24V LOẠI: LOẠI R / ADDRESS ĐẦU VÀO/ ĐẦU RA: 4/4 GIỚI HẠN ÁP DỤNG: DÙNG CHO TỦ TRUNG TÂM BÁO CHÁY ĐỊA CHỈ ĐIỀU KIỆN MÔI TRƯỜNG:
👁️ 12 | ⌚2025-10-07 16:30:02.046
Phụ Kiện Tủ Bếp Cao Cấp New 2020 Hệ Tủ Treo Tủ Kho | Việt Mộc
[Video] Trải nghiệm tính năng thông minh của phụ kiện Häfele
Giá để tivi treo tường chịu tải 50 kg LA100 L | Phụ kiện nội thất thông minh | Flexhouse VN
Thanh treo phụ kiện Hafele – 522.54.204
Dụng cụ hỗ trợ lắp đặt tủ treo tường ( Bộ 2 cái ) #vinachi #mộcvinachi #dungculammoc #mũisoigỗ #diy
Cách Lắp Đặt Bas Treo Tủ Tường Hafele

Phụ Kiện Tủ Bếp Cao Cấp New 2020 Hệ Tủ Treo Tủ Kho | Việt Mộc
[Video] Trải nghiệm tính năng thông minh của phụ kiện Häfele
Giá để tivi treo tường chịu tải 50 kg LA100 L | Phụ kiện nội thất thông minh | Flexhouse VN
Thanh treo phụ kiện Hafele – 522.54.204
Dụng cụ hỗ trợ lắp đặt tủ treo tường ( Bộ 2 cái ) #vinachi #mộcvinachi #dungculammoc #mũisoigỗ #diy
Cách Lắp Đặt Bas Treo Tủ Tường Hafele

+ CHI TIẾT - 100% da bò tự nhiên - Chất liệu: Da bò Pebbled mềm mại - Màu da: Vàng cam - Kiểu dáng: Đứng – Gập 2 - Khóa kéo: Không - Kích
4P's có nghĩa "For Peace" - cho Hòa Bình tràn ngập trên toàn thế giới. Tham vọng ở Pizza 4P's không chỉ đơn giản là "Một nhà hàng Pizza tuyệt vời" mà chúng tôi có
Le Monde Steak là hệ thống Bít Tết theo phong cách thành thị Pháp đầu tiên tại Việt Nam, nơi thực khách tự do trải nghiệm những món ăn mang hương vị Pháp đầy lôi
Sôi nổi, phóng khoáng, vui nhộn chính là tinh thần mà Yakimono – Quán thịt nướng Nhật Bản muốn mang đến cho bạn. Trái ngược với khung cảnh yên bình bên ngoài, chỉ cần đẩy
Hoa Yêu Thương là bông hoa được ghép từ nhiều trái tim với mong muốn kêu gọi mọi người hãy chia sẻ yêu thương nhiều hơn. Cuộc sống sẽ tốt hơn rất nhiều nếu chúng
Gyu-Kaku nhập thịt tươi và cắt từng lát một tại nhà hàng để đảm bảo độ tươi ngon. Nước tương và miso truyền thống Nhật Bản chúng tôi dùng cho sốt và ướp thịt kĩ
Hạn sử dụng: 2025-12-31 00:00:00 Potico là điện hoa chuyên cung cấp bó hoa yêu thương và quà tặng ý nghĩa hàng đầu tại Việt Nam. Potico luôn miễn phí giao hàng trong khu vực
Nếu bạn là người Hàn Quốc sinh sống hoặc làm việc xa nhà, bạn nên ghé qua Butoomac để cảm nhận hương vị quê hương. Đây là những nhà hàng rất nổi tiếng ở Hà
Ra mắt thương hiệu tại Hà Nội với cơ sở đầu tiên Hàng Bông vào năm 2016, hiện nay, Don Chicken đã có 14 cửa hàng tại Hà Nội, Quảng Ninh, Bắc Ninh, Thanh Hóa
MIYEN - Nét chấm phá Nhật Bản tinh tế đầy duy mỹ. Miyen Japanese Fusion Cuisine mong muốn đem đến cho Quý Thực khách trải nghiệm bầu không khí giao thời của một đất nước
Với phương châm: “Nơi ẩm thực Hồng Kông được tôn vinh và chăm chút. Chúng tôi mang đến quý khách sự trải nghiệm tuyệt đối từ vị giác đến văn hóa ẩm thực”. Baoz Dimsum
A Mà Kitchen - Stay Vietnam, Taste HongKong Trở về Hồng Kông 40 năm trước, A Mà - Bà Nội của một gia đình Trung Hoa là người luôn tận tụy chăm lo từng bữa
Thương hiệu bánh donut thơm ngon, và những ly cà phê đậm đà, mang đến không gian thân thiện để kết nối mọi người. CRISPY DONUTS luôn cập nhật hương vị mới, đảm bảo mỗi
Đến Hệ thống tiNiWorld, các bậc phụ huynh hoàn toàn có thể yên tâm vì con yêu của mình được bảo vệ an toàn nhất. Tất cả các thiết bị đồ chơi tại đây đều
BORNGA VIỆT NAM: Là chi nhánh thuộc thương hiệu và chuỗi hệ thống nhà hàng nổi tiếng toàn cầu Bornga, Bornga Việt Nam hân hạnh phục vụ những món ăn mang đậm nét truyền thống
Otoké Chicken tự hào là thương hiệu gà rán của Việt Nam - được đầu tư và quản lý bởi Quỹ đầu tư VI (VIGroup) – một công ty quản lý quỹ chuyên nghiệp, chuyên
Với sự ra đời của cửa hàng đầu tiên tại Việt Nam vào năm 2007, chuỗi cửa hàng TOUS les JOURS khẳng định vị trí dẫn đầu trong phân khúc cao cấp bánh và cà
Bạn đang lên kế hoạch cho một bữa tiệc ấm cúng, một buổi hẹn hò hay một buổi liên hoan cuối năm? Đừng bỏ lỡ voucher tiền mặt từ Ssamjang - Nướng & Cuốn Chợ
Shang Chi - Taiwanese Rotary Hotpot là con tàu trải nghiệm và khám phá thiên đường lẩu Đài Loan đầy màu sắc và đa dạng. Shang Chi cũng là sự giao thoa giữa yếu tố
Không gian rộng rãi và sạch sẽ, nhân viên thân thiện, nhiệt tình chắc chắn là điểm đến lý tưởng cho một cuộc hẹn tại Spicy Box. Đến với Spicy Box bạn sẽ được hóa